Volkswagen Tiguan Reparaturanleitung: Fahrersitz, elektrisch einstellbar
Werkzeuge
Benötigte Spezialwerkzeuge, Prüf- und Messgeräte sowie Hilfsmittel
- Motor- und Getriebehalter -VAS 6095-

- Halter für Sitzreparatur -VAS 6136-

- Blindnietzange -VAS 5072-

- Entriegelungswerkzeug -T10236-

Verkleidung, Schwellerseite, aus- und einbauen
Ausbauen
- Schalten Sie die Zündung aus.
- Drehen Sie die Schraube -1- heraus (2 Nm).
- Drücken Sie den Klemmstift -2- nach innen
und entfernen Sie den Spreizclip -3-.
- Ziehen Sie die Verkleidung nach außen vom Sitz ab.
- Trennen Sie den Leitungsstrang vom Schalter für Verstellung der
Lendenwirbelstütze des Fahrersitzes -E176--4-
und von der Bedienungseinheit für Fahrersitzverstellung -E470--5-
ab.
- Lösen Sie den Leitungsstrang von der Verkleidung.

Einbauen
- Der Einbau erfolgt sinngemäß in umgekehrter Reihenfolge.
Schalter aus- und einbauen
In der Verkleidung, Schwellerseite, sind folgende Schalter verbaut:
- Schalter für Verstellung der Lendenwirbelstütze des Fahrersitzes -E176-
- Bedienungseinheit für Fahrersitzverstellung -E470-
Ausbauen
- Schalten Sie die Zündung aus.
- Bauen Sie die Verkleidung, Schwellerseite, aus

- Lösen Sie die Taste -1- vorsichtig mit dem
Entriegelungswerkzeug -T10236- vom Schalter der Lendenwirbelstütze
-3-.
- Drehen Sie die zwei Schrauben -2- heraus (1
Nm) und nehmen Sie den Schalter für Verstellung der Lendenwirbelstütze
-3- aus der Verkleidung heraus.
- Lösen Sie die Taste -4- vorsichtig mit dem
Entriegelungswerkzeug -T10236- von der Bedienungseinheit für Sitzverstellung
-6-.
- Drehen Sie die drei Schrauben -5- heraus (1
Nm) und nehmen Sie Bedienungseinheit für Sitzverstellung
-6- aus der Verkleidung heraus.
Einbauen
- Der Einbau erfolgt sinngemäß in umgekehrter Reihenfolge.
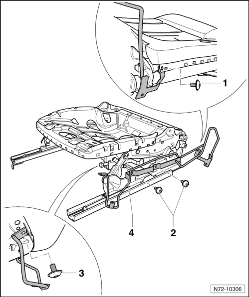
Halter, Verkleidung, Schwellerseite, aus- und einbauen
Ausbauen
- Bauen Sie die Verkleidung, Schwellerseite, aus
- Lösen Sie im Bereich der Schraube -1- den
Bezug und heben Sie das Polster etwas an.
- Drehen Sie die Schraube -1- heraus (8 Nm).
- Drehen Sie die Schraube -2- heraus (8 Nm).
- Drehen Sie die zwei Schrauben -3- heraus (8
Nm).
- Lösen Sie den Halter -4- vom Sitzgestell.

Einbauen
- Der Einbau erfolgt sinngemäß in umgekehrter Reihenfolge.
Sitzlängsverstellung, aus- und einbauen
Hinweis
Der Motor für Sitzlängsverstellung kann nicht separat, sondern nur mit dem
Sitzwannenuntergestell ersetzt werden.
Ausbauen
- Demontieren Sie die Kopfstütze.
- Positionieren Sie den Sitz in der höchsten Sitzposition.
- Montieren Sie den Halter für Sitzreparatur -VAS 6136- am Motor- und
Getriebehalter -VAS 6095-.
- Bauen Sie den Sitz, vorn, aus
- Befestigen Sie den Sitz auf dem Halter für Sitzreparatur -VAS 6136-.
- Bauen Sie das Gurtschloss, vorn, aus
- Bauen Sie die Verkleidung, Tunnelseite, aus
- Bauen Sie die Verkleidung, Schwellerseite, aus
- Lösen Sie die Leitungsstränge vom Sitzuntergestell.
- Bauen Sie den Halter, Verkleidung, Schwellerseite, aus
- Trennen Sie die den Leitungsstrang vom der Motor der
Sitzlängsverstellung.
- Drehen Sie auf der Schwellerseite vom Sitzgestell die Schraube
-1-, vom Antrieb der Höhenverstellung, heraus.
- Sichern Sie die Spindelaufnahme -2- gegen
Verdrehen
- Drehen Sie die vorderen Schrauben -5- und
-6- heraus.
- Drehen Sie die hinteren Schrauben -3- und
-4- heraus.

- Ziehen Sie die Sitzwanne -1- nach oben vom
Sitzwannenuntergestell -2- ab.

Einbauen
- Setzen Sie die Sitzwanne -1- auf das
Sitzwannenuntergestell -2-.

Antrieb, Lehnenverstellung, aus- und einbauen
Ausbauen
- Montieren Sie den Halter für Sitzreparatur -VAS 6136- am Motor- und
Getriebehalter -VAS 6095-.
- Bauen Sie den Sitz, vorn, aus
- Befestigen Sie den Sitz auf dem Halter für Sitzreparatur -VAS 6136-.
- Betätigen Sie, falls vorhanden, die Entriegelungstaste und ziehen Sie
die Kopfstütze aus der Lehne heraus.
- Kopfstütze ausbauen
- Bauen Sie das Gurtschloss, vorn, aus
- Bauen Sie die Verkleidung, Tunnelseite, aus
- Bauen Sie die Verkleidung, Schwellerseite, aus
- Trennen Sie die zwei Leitungsstränge der Lehnenantriebe auf der
Unterseite vom Sitzgestell. Lösen Sie die Leitungsstränge vom Sitzgestell.
- Bauen Sie die Lehne aus
- Bauen Sie, falls vorhanden, den Klapptisch, Lehne, aus
- Bauen Sie den Bezug und das Polster, Vordersitzlehne, aus
- Trennen Sie die den Leitungsstrang von dem Motor der Lehnenverstellung.
- Drehen Sie die Schraube -1- heraus (7,5+1
Nm).
- Schrauben Sie die Mutter -2- ab (8+-1 Nm).

Einbauen
- Der Einbau erfolgt sinngemäß in umgekehrter Reihenfolge.
- Nach erfolgtem Einbau ist eine Grundeinstellung im "ODIS-Service"
durchzuführen.
Wählen Sie im ODIS-Service die "Geführte Fehlersuche".
Nachdem alle Steuergeräte abgefragt wurden:
- "Eigenen Prüfplan" auswählen
- "Funktions-/Bauteilauswahl" auswählen
- "Karosserie" auswählen
- "Karosserie-Montagearbeiten"
- "01-Eigendiagnosefähige Systeme" auswählen
- "Sitzverstellung Fahrerseite" auswählen
- "Funktionen" auswählen
- "Kalibrierung" auswählen
Antrieb, Neigungsverstellung, aus- und einbauen
Ausbauen
- Demontieren Sie die Kopfstütze.
- Positionieren Sie den Sitz in der höchsten Sitzposition.
- Montieren Sie den Halter für Sitzreparatur -VAS 6136- am Motor- und
Getriebehalter -VAS 6095-.
- Bauen Sie den Sitz, vorn, aus
- Befestigen Sie den Sitz auf dem Halter für Sitzreparatur -VAS 6136-.
- Bauen Sie das Gurtschloss, vorn, aus
- Bauen Sie die Verkleidung, Tunnelseite, aus
- Bauen Sie die Verkleidung, Schwellerseite, aus
- Lösen Sie die Leitungsstränge vom Sitzuntergestell.
- Trennen Sie die den Leitungsstrang von dem Motor der
Sitzlängsverstellung.
- Trennen Sie die den Leitungsstrang von dem Motor der
Neigungsverstellung.
- Drehen Sie die vorderen Schrauben -5- und
-6- heraus.
- Lösen Sie den Sitz im vorderen Bereich vom Untergestell und schwenken
Sie ihn nach hinten.

- Drehen Sie die Schraube -1- heraus.
- Drehen Sie die vier Schrauben -Pfeile-
heraus und nehmen Sie den Motor ab.

- Sichern Sie die Spindel -2- mit einer Zange
gegen Verdrehen und drehen Sie die Schraube -1-
heraus.
- Drehen Sie die Spindel -2- aus der
Spindelmutter -3- heraus.

Einbauen
- Drehen Sie die Spindel -1- vom Antrieb
-2- so weit wie möglich in die Spindelmutter
-3- hinein.
- Setzen Sie die Schraube -4- locker von Hand
in die Spindel ein.

Hinweis
Das Verschrauben der Schraube -4-, mit dem
vorgegebenen Drehmoment, ist erst möglich wenn sich der Sitz im Fahrzeug
befindet und am Bordnetz angeschlossen ist.
- Befestigen Sie den Antrieb mit der Schraube -1-
(6+2 Nm).

Der weitere Einbau erfolgt sinngemäß in umgekehrter Reihenfolge.
- Sitz im Fahrzeug eingebaut und an das Bordnetz angeschlossen
- Verfahren Sie den Sitz über die Neigungsverstellung nach unten und
verschrauben Sie gleichzeitig die Schraube -4-
mit 8+-1 Nm.

Antrieb, Höhenverstellung, aus- und einbauen
Ausbauen
- Demontieren Sie die Kopfstütze.
- Positionieren Sie den Sitz, wenn möglich, in der höchsten Sitzposition.
- Montieren Sie den Halter für Sitzreparatur -VAS 6136- am Motor- und
Getriebehalter -VAS 6095-.
- Bauen Sie den Sitz, vorn, aus
- Befestigen Sie den Sitz auf dem Halter für Sitzreparatur -VAS 6136-.
- Bauen Sie das Gurtschloss, vorn, aus
- Bauen Sie die Verkleidung, Tunnelseite, aus
- Bauen Sie die Verkleidung, Schwellerseite, aus
- Bauen Sie den Halter, Verkleidung, Schwellerseite, aus
- Lösen Sie die Leitungsstränge vom Sitzuntergestell.
- Trennen Sie die den Leitungsstrang vom der Motor der
Sitzhöhenverstellung.

- Drehen Sie die Schraube -1- heraus (18+-2
Nm).
- Drehen Sie die Schraube -2- heraus (6+2
Nm).
- Nehmen sie den Antrieb -3- aus dem
Sitzgestell heraus.
Einbauen
- Der Einbau erfolgt sinngemäß in umgekehrter Reihenfolge.
Lordose (4 Wege elektrisch) aus- und einbauen
Ausbauen
- Montieren Sie den Halter für Sitzreparatur -VAS 6136- am Motor- und
Getriebehalter -VAS 6095-.
- Bauen Sie den Sitz, vorn, aus
- Befestigen Sie den Sitz auf dem Halter für Sitzreparatur -VAS 6136-.
- Betätigen Sie, falls vorhanden, die Entriegelungstaste und ziehen Sie
die Kopfstütze aus der Lehne heraus.
- Kopfstütze ausbauen
- Bauen Sie das Gurtschloss, vorn, aus
- Bauen Sie die Verkleidung, Tunnelseite, aus Bauen Sie die Verkleidung, Schwellerseite, aus
- Trennen Sie die zwei Leitungsstränge der Lehnenantriebe auf der
Unterseite vom Sitzgestell. Lösen Sie die Leitungsstränge vom Sitzgestell.
- Bauen Sie die Lehne aus
- Bauen Sie, falls vorhanden, den Klapptisch, Lehne, aus
- Bauen Sie den Bezug und das Polster, Vordersitzlehne, aus
- Trennen Sie die Leitungsstränge von den Motoren der Lordosenverstellung.
- Bohren Sie auf der Rückseite der Lehne den Niet
-1- aus.
- Schwenken Sie die Lordose -2- aus dem
Lehnenrahmen heraus.
- Lösen Sie die Lordose -2- aus den beiden
Aufnahmen -3- und -4-
im oberen, vorderen Bereich vom Lehnenrahmen.

Einbauen
- Der Einbau erfolgt sinngemäß in umgekehrter Reihenfolge.
Benutzen Sie zum Verbau vom Niet die Blindnietzange -VAS 5072-.
Verkleidung, Schwellerseite, aus- und einbauen
Ausbauen
Entfernen Sie den Deckel -1- und ziehen Sie
den Entriegelungshebel -2- ab.
Ziehen Sie den Griff der Höhenverstellung -1-
nac ...
Werkzeuge
Benötigte Spezialwerkzeuge, Prüf- und Messgeräte sowie Hilfsmittel
Drehmomentschlüssel -V.A.G 1783-
Drehmomentschlüssel -V.A.G 1331-
Drehmomentschlüssel -V.A.G 133 ...
Mehr sehen:
Volkswagen Tiguan Reparaturanleitung > Außenausstattung: Kühlergrill
Werkzeuge
Benötigte Spezialwerkzeuge, Prüf- und Messgeräte sowie Hilfsmittel
Drehmomentschlüssel -V.A.G 1783-
Kühlergrill aus- und einbauen ► 06.2011
Die Beschreibung gilt auch für Fahrzeuge mit Mehrausstattung Volkswagen R
GmbH.
Hinweis
Die Optik des Kühlergrills von Volkswa ...