
Unterbodenverkleidung
Werkzeuge
Benötigte Spezialwerkzeuge, Prüf- und Messgeräte sowie Hilfsmittel

Unterbodenverkleidungen - Montageübersicht
Hinweis
Die Darstellung erfolgt für die rechte Seite. Für die linke Seite ist sinngemäß daraus abzuleiten.

Stirnwand
Werkzeuge

Benötigte Spezialwerkzeuge, Prüf- und Messgeräte sowie Hilfsmittel
Materialien
| 1K-Scheibenklebstoff | DH 009 100 03 |
| Aktivator | D 181 801 A1 |
| Glasprimer/Lackprimer | D 009 200 02 |
| Reinigungslösung | D 009 401 04 |
| Primer-Applikator | D 009 500 25 |
1) Materialien sind in der Box D 004 700 ausgelagert.
2) Erwärmen nach Herstellerangaben mit Kartuschen-Heizgerät -V.A.G 1939-
3) Mindestaushärtezeit beachten.
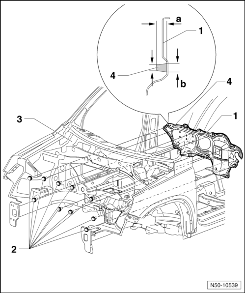
Stirnwand - Montageübersicht
Hinweis
Die Stirnwand -1- ist geschraubt und zusätzlich noch mit PUR-Klebedichtungsmaterial -3- eingeklebt.

Querstrebe

GeräuschdämpfungVolkswagen Tiguan Betriebsanleitung > Adaptive Fahrwerksregelung (DCC): Funktionsweise und Bedienung
Abb. 176
In der Mittelkonsole: Taste zum Einstellen der adaptiven Fahrwerksregelung.
Lesen und beachten Sie zuerst die einleitenden
Informationen und Sicherheitshinweise⇒Einleitung
zum Thema Die adaptive Fahrwerksregelung passt die Fahrwerksdämpfung
während der Fahrt ständig an die F ...